电流互感器二次侧为什么不能开路(电流互感器二次侧为什么不能开路)
2022-09-07 21:50:32
摘要: 电流互感器二次侧为什么不能开路(电流互感器二次侧为什么不能开路)...
电流互感器二次侧不能开路的原因
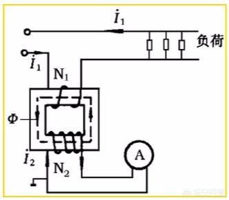
原方电流是由被测试的电路决定的,当负荷的电阻大小不同时,原边的电流大小也不同,在正常运行时,电流互感器的副方相当于短路,副方电流有强烈的去磁作用,即副方的磁动势近似与原方的磁动势大小相等、方向相反,因而产生铁心中的磁通所需的合成磁动势和相应的励磁电流很小。电流互感器的测量电路如下图所示。
若副方开路,则原方电流全部成为励磁电流,使铁心中的磁通增大,铁心过分饱和,铁耗急剧增大,引起互感器发热损坏。同时因副绕组匝数很多,将会感应出危险的高电压,危及操作人员和测量设备的安全。
